岳阳城陵矶港务有限责任公司 件杂货码头环形通道土建项目询价公告
来源:湖南省城陵矶港口集团 时间:2021-05-08 浏览: [打印此页][关闭窗口]
岳阳城陵矶港务有限责任公司件杂货码头环形通道土建项目项目位于新港区件杂货码头2#通道,经集团公司批准现进行询价采购。请具备本次实施能力的承建商就土建项目进行密封报价。
1.项目概况
1.1工程地点:
本项目位于湖南省岳阳市新港区境内。
1.2工程概况:
1.2.1、拆除原新港一期与二期工程之间的隔离护轮坎约28米,地面抺平,其上有一根水管预埋。
1.2.2、按设计图纸,沿码头平台至转弯通道处新砌560米左右隔离护轮坎。详见图纸和技术要求。
1.2.3、转弯通道硬化(按承重80吨汽车设计),长约10.1米,宽约13米,另有约13米的电缆沟处理,盖面。
1.3 计划工期
计划工期12个日历天。
1.4 工程量清单及图纸:
工程量清单:
| 项目 |
项目特征 |
单位 |
数量 |
| 拆除平台钢筯混凝土结构 |
高600MM,上部宽450MM ,下部宽600MM |
米 |
28 |
| 砼碴外运 |
|
M3 |
8 |
| 水泥砂浆抹面 |
28米*0.6米 |
M2 |
16.8 |
| 电缆沟盖板拆除 |
|
米 |
13 |
| 围墙拆除 |
|
米 |
12 |
| 移除绿化带树木 |
|
株 |
3 |
| 挖土方 |
|
M3 |
60 |
| 土方外运 |
|
M3 |
60 |
| 垫层 |
厚300MM 12米*10米 |
M3 |
36 |
| 地面硬化 |
C30 厚300MM 12米*10米 |
M2 |
120 |
| 地沟盖板制安 |
13米,800MM*300MM,钢筋12MM,外框角钢L50 |
M3 |
3.12 |
| 电缆沟壁下降 |
下降500MM |
M |
26 |
| 预埋铁件 |
|
KG |
749 |
| 植筋 |
带肋φ14(每根有两头,植入深度200MM)钻孔、清孔、除尘、预注、注胶、植筋 |
根 |
1121 |
| 圆钢 |
φ8 |
KG |
0.899 |
| 带肋钢筋 |
直径14mm |
吨 |
2.858 |
| 护轮坎砼 |
C30 |
M3 |
58.8 |
| 护轮坎地面凿毛 |
|
米 |
568 |
| 雨水管预埋 |
φ300 |
米 |
10 |
| 电缆井旁防撞警示桩 |
基础300*300*500MM,立柱DN100,地面高度500MM |
根 |
2 |
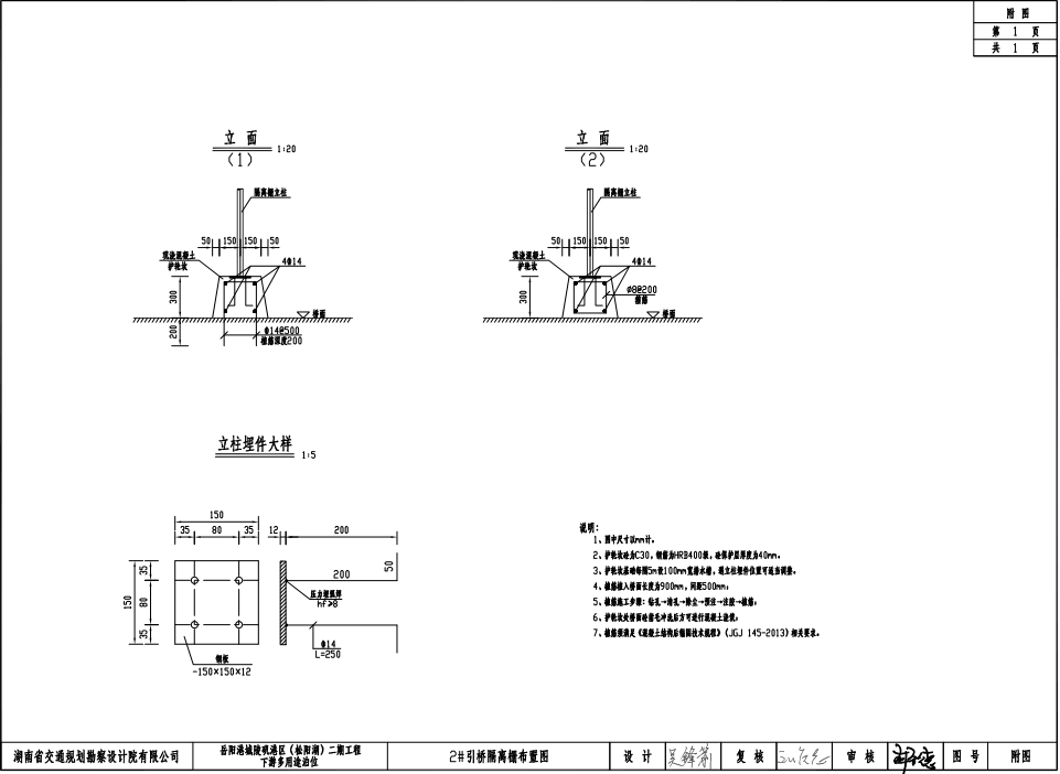
图纸:见附件四
2.项目控制价
项目最高限价为:人民币 壹拾玖万捌仟柒佰元整(小写:198700元)增值税专用税率为9%,如提供其他税率的增值税专用发票,投标报价予以相应折算,投标人报价不得超过最高限价,否则作废处理。最终结算以实际工程量为准,超出清单部分套用湖南省建筑工程消耗量标准(2020)版结算,下浮比率可双方协商。
3、承建商资格要求:
3.1.1、具有独立法人资格、营业执照处于有效期。
3.1.2、具备建筑企业三级以上资质。
3.1.3、近三年内独立完成一个及以上同类土建项目(报名截止日期往前推算);
3.2具有投资参股关系的关联企业,或具有直接管理和被管理关系的母子(分)公司,或同一母公司的子(分)公司,或法定代表人为同一人的两个或两个以上法人,所有利益相关企业的申请人参与本次询价只能递交一个报价文件。
3.3询价人不接受存在《标准施工询价文件》(2007年版)“供应商须知”第1.4.3项情形之一的供应商或最近一年内在省级及以上土建工程建设市场信用信息管理系统有两次及以上不良行为记录的
4.报价文件要求
4.1 报价文件包含6个部分(见附件一),即报价函、报价清单、资质证明、业绩证明文件、施工方案、其他资料文件。
4.2 报价文件需正本一份,副本二份。
4.3 报价人报价表应包含询价范围内的一切费用,单价不作调整。
4.4 报价文件须加盖公章并胶装,封面注明报价项目名称,并经法人代表签字或授权代表签字,密封完好。
4.5 报价人报价前应到现场进行核实,确定施工方案,不得以不了解现场为由,不履行询价公告内所包含的要求。
5.报价文件递交方式、时间
5.1 报价文件递交截止时间为2021年5 月12日17时30分。
5.2 报价文件应直接送达岳阳城陵矶港务有限责任公司办公楼506室(长江路2号)
5.3 逾期送达的或者未送达指定地点的文件,不予受理。
6.评审办法
6.1询价人对询价文件不进行公开开标,询价人将采用经评审的最低投标价法(见附件二)。
6.2评标价的计算原则
6.2.1报价人漏报的分项项目价格,按其它报价人相应项目最高报价进行计算。如果漏报的部分,其他报价人没有相应的价格,则可以其他工程相当的价格估算记入。
6.2.2报价人多报的分项项目价格,按其所报分项价扣减。
6.2.3报价文件中的大写金额和小写金额不一致的,以大写金额为准;当分项价之和与总价(合计价格)有出入时,以分项价为准。
6.3报价文件有下列情形之一的,按无效报价处理:
6.3.1资格审查不合格的。
6.3.2未实质响应询价文件的。
6.3.3报价低于理论成本价,且报价人不能做出合理的书面说明,或不能提供相关证明材料
理论成本价=(询价人最高限价×60%+未被当场宣布废标的所有报价(如果参与评标价平均值计算的有效投标人多于或等于5家时,则计算评标价平均值时去掉一个最高值和一个最低值,如果参与评标价平均值计算的有效投标人少于5家时,则计算评标价平均值时不去掉最高值和最低值)的算术平均值×40%)×0.80。
7. 安全协议
为了切实做好安全生产工作,依据《中华人民共和国安全生产法》、《中华人民共和国合同法》以及国家有关安全生产管理的法律、法规、标准,按照“安全第一、预防为主、综合治理”的原则,明确甲乙双方及监理单位的责任,就甲乙双方在本项目中的安全生产事项,经协商一致,签订本合同。
第一条 项目名称:
第二条 本合同内容只涉及甲乙双方在本项目中关于安全生产的权利和责任。
第三条 甲方的权利:
(一)有权要求乙方建立安全组织机构,严格执行安全生产法律、法规、条例、标准,遵守甲方的安全生产规章制度等。
(二)有权按规定对乙方安全业绩、资质进行审查,对乙方针对作业项目制定的职业健康安全、环境保护项目进行审查并备案。
(三)有权要求乙方维护好相关的甲方的安全生产设施、设备和器材。
(四)有权要求乙方在进入甲方现场作业前所有作业人员接受甲方的安全培训与教育。对乙方经培训考核不合格、安全技能不具备所在岗位要求或认定身体条件不适应所在岗位要求的作业人员,有权要求乙方停止其工作或调换其工作岗位。
(五)有权对乙方的作业现场的安全作业情况进行监督检查,有权对乙方不符合安全生产要求、违法、违规、违章等的行为,依据《城陵矶港务有限责任公司安全管理考核与奖罚办法》进行纠正、处罚、制止、停止作业、直至清退出场。
(六)有权要求乙方所有作业人员必须进行工伤保险和意外伤害保险。
(七)乙方在作业中如发生国务院《生产安全事故报告和调查处理条例》所规定的伤亡事故,甲方有权督促乙方立即通知乙方上级主管部门和当地政府安全生产监督管理部门,要求派人保护现场,并有权要求乙方提供事故调查书面结论及处理意见。
发生事故后、有权根据有关规定参与事故的调查。
第四条 甲方的责任
(一)认真贯彻落实国家有关法律、法规、标准及甲方公司安全生产规章制度。
(二)向乙方明确作业区的范围、危险点源及安全技术交底,并要有书面记录。
(三)为乙方提供项目合同中规定的安全作业条件。
(四)发生事故后积极协助抢险,防止事故扩大,并按照甲方公司有关规定进行报告。
第五条 乙方的权利
(一)有权对甲方的安全工作提出合理化建议和改进意见。
(二)日常作业中,若甲方违章指挥、强令乙方冒险作业,有权拒绝执行。
(三)有权要求甲方提供符合安全作业的工艺条件和环境。
(四)发生严重危及乙方生命安全的紧急情况时,乙方有权采取必要的避险措施。
第六条 乙方的责任
(一)乙方是本项目的安全生产责任主体,对本项目的安全生产工作全面负责。
(二)健全安全组织机构,建立安全生产责任制,制定健全的安全生产规章制度,制定生产安全事故应急求援预案,配备必要的安全生产管理人员和劳动保护用品,严格执行甲方相关的规章制度。
(三)应对作业人员进行作业前安全教育培训,使其具备岗位所需的安全生产知识、安全意识和安全技能;特种作业人员应具有相应的资格证书。
(四)不得使用不符合国家、行业标准和甲方规定的原材料、设备、装置、防护用品、器材、安全检测仪器等。所使用的特种设备,必须经具有专业资质的检验检测机构检测。经检测不合格的,不得继续使用。
(五)指定专人负责现场安全监督检查工作,认真开展安全检查,发现作业过程中不安全行为和隐患、应采取有效措施积极处理。
(六)乙方有责任对作业区域的安全生产条件进行详细了解。
(七)乙方在作业过程中有属于危及安全生产的关键作业时,应提出切实可行的方案,经甲方同意后,方可实施。
(八)乙方不得将项目转包给第三方,不得以任何理由或形式免除自身对分包、转包项目安全责任。
(九)乙方在施工期间只能在甲方规定的路线进出甲方公司,只能在甲方规定的施工区域内作业,禁止私自进入甲方其他生产区域。乙方在从事经营活动中,必须按照国家环保、安全法规和甲方清洁生产规定进行作业、不得随意破坏环境卫生,不准乱扔、乱倒垃圾及废弃物。
(十)乙方应服从甲方的管理,认真履行安全职责,杜绝违法、违规、违章作业,否则依据《城陵矶港务有限责任公司安全管理考核与奖罚办法》进行考核。
(十一)发生事故时,应积极抢险,避免事故的进一步扩大,并按照国家相关要求报告事故。
(十二)当乙方在施工过程因乙方原因中发生伤亡事故时,乙方作为工程项目的承包或承揽单位,对发生的人身伤害、设备损坏事故承担全部责任。由乙方向自己的主管上级部门及当地政府的安全生产监督管理部门、公安部门报告,并自行承担相应的责任。
(十三)乙方安排从事本项目合同约定业务的作业人员必须是与乙方具有合法劳动关系、雇佣关系、聘用关系或劳务关系的人员。如果乙方安排的作业人员,与其不具有合法的劳动关系、雇佣关系、聘用关系或劳务关系,则由此引发的一切风险、损失、责任均由乙方承担。
第七条 违约责任及处理
(一)如甲乙双方违反本合同约定,未造成事故时,依据相关合同对违约者进行处理;造成事故时,甲、乙双方有抢险、救灾的责任,所发生的一切费用及责任均由责任方承担。
(二)发生的事故,应经事故调查确认责任;事故报告和调查应按照国家和甲方有关规定进行。
(三)因甲方原因造成的事故,甲方承担全部责任,并按规定追究有关人员责任及上报。
(四)因乙方的原因造成的事故,乙方承担全部责任,并按规定追究有关人员责任并报告甲方;由于乙方工程质量、检修质量及购买的原材料等原因导致的事故,并给甲方或第三人造成损失的,由乙方承担全部责任。
(五)甲、乙双方共同造成的事故,按双方责任大小承担相应责任,并按规定追究有关人员责任。
(六)对乙方发生事故后弄虚作假、隐瞒不报、迟报或谎报,一经查出,按有关规定从重处罚,情节严重的,甲方有权向当地政府安全生产监督管理部门报告,并取消其进入甲方市场资格。
(七)施工期间,需要办理的有关安全的批文或其它手续,乙方必须办理齐全,否则发生安全事故由乙方承担全部责任。
第八条 由于不可抗力造成合同项目施工作业事故及生产的损失,当事人双方各自承担相应的损失。
第九条 甲乙双方的施工作业人员和机具设备的保险,由甲乙双方依据国家相关规定或约定各自承担。
第十条 本合同履行过程中发生争议纠纷,应通过友好协商方式解决,如协商不成,按双方在项目合同中约定的管辖地和纠纷解决的方式执行。
第十一条 本合同一式贰份,双方各持壹份。
甲 方: 乙 方:
法定代表人或法定代理人: 法定代表人或法定代理人:
签订日期:2021年 5月 日
8.联系方式
岳阳城陵矶港务有限责任公司
湖南省岳阳市城陵矶新长江路2号城港办公楼506室
收件人:蔡艳
联系电话:13873035629
http://附件一、二、三.doc
附件四:图纸
